Zum Hauptinhalt springen Zur Suche springen Zur Hauptnavigation springen
SW10351

19,95 €*
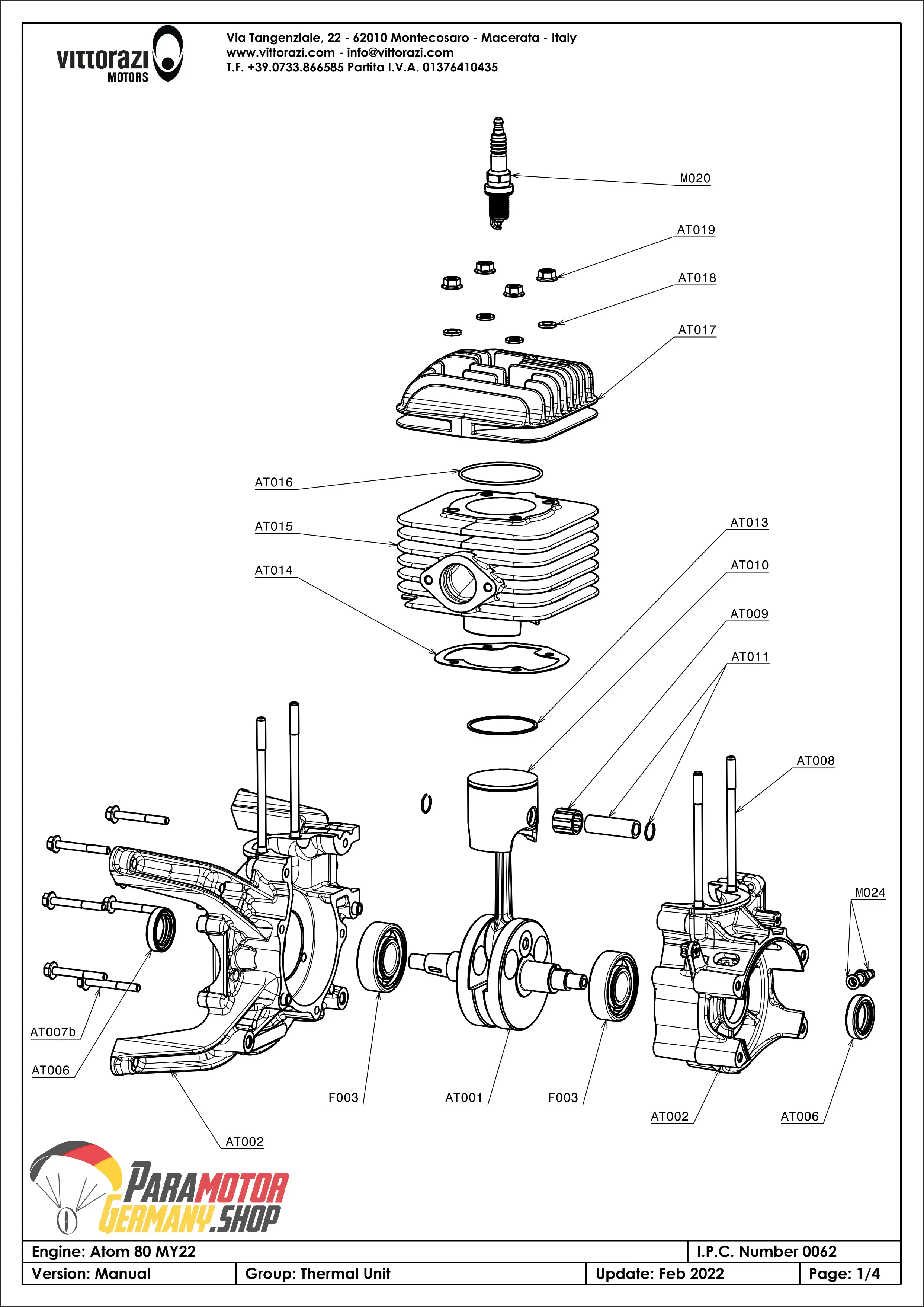
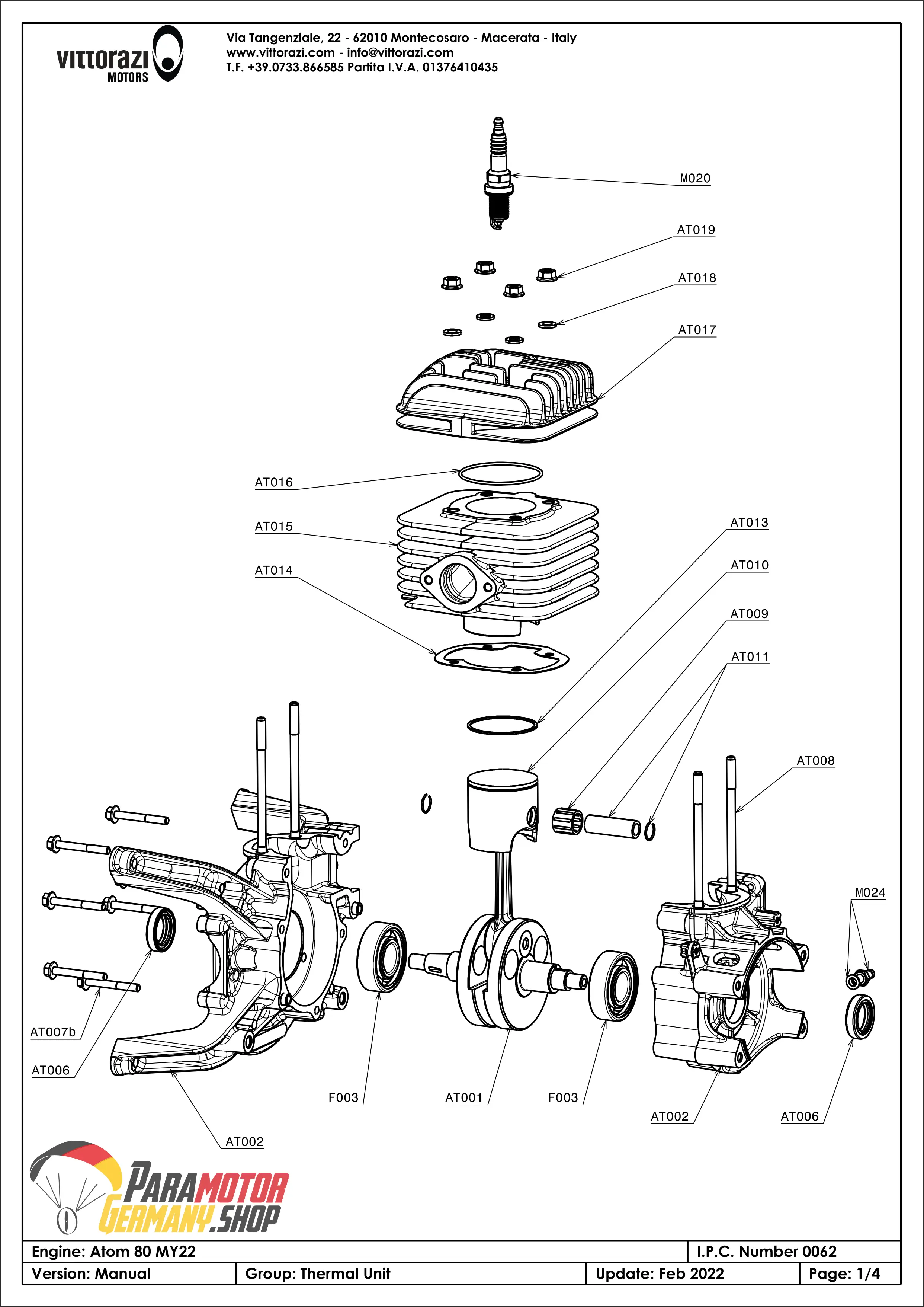
AT009 Piston roller bearing | Vittorazi
SW10349

17,95 €*
SW10353

38,95 €*
Ref
Produkt
Stückpreis
 
19,95 €*
17,95 €*
38,95 €*